服务热线:181 5886 1669
Email:born-pt@qq.com
English
简体中文
合肥铂恩科技有限公司
网站首页
公司简介
产品中心
机械传动件
非标定制件
工控元器件
新闻中心
公司新闻
行业新闻
人力资源
人才招聘
荣誉资质
联系我们
铂恩科技铸造未来
Born Technology to create the future, let us work together
产品详情
Product Details
GC鼓形齿式联轴器
发布时间: 2024-01-21 00:00
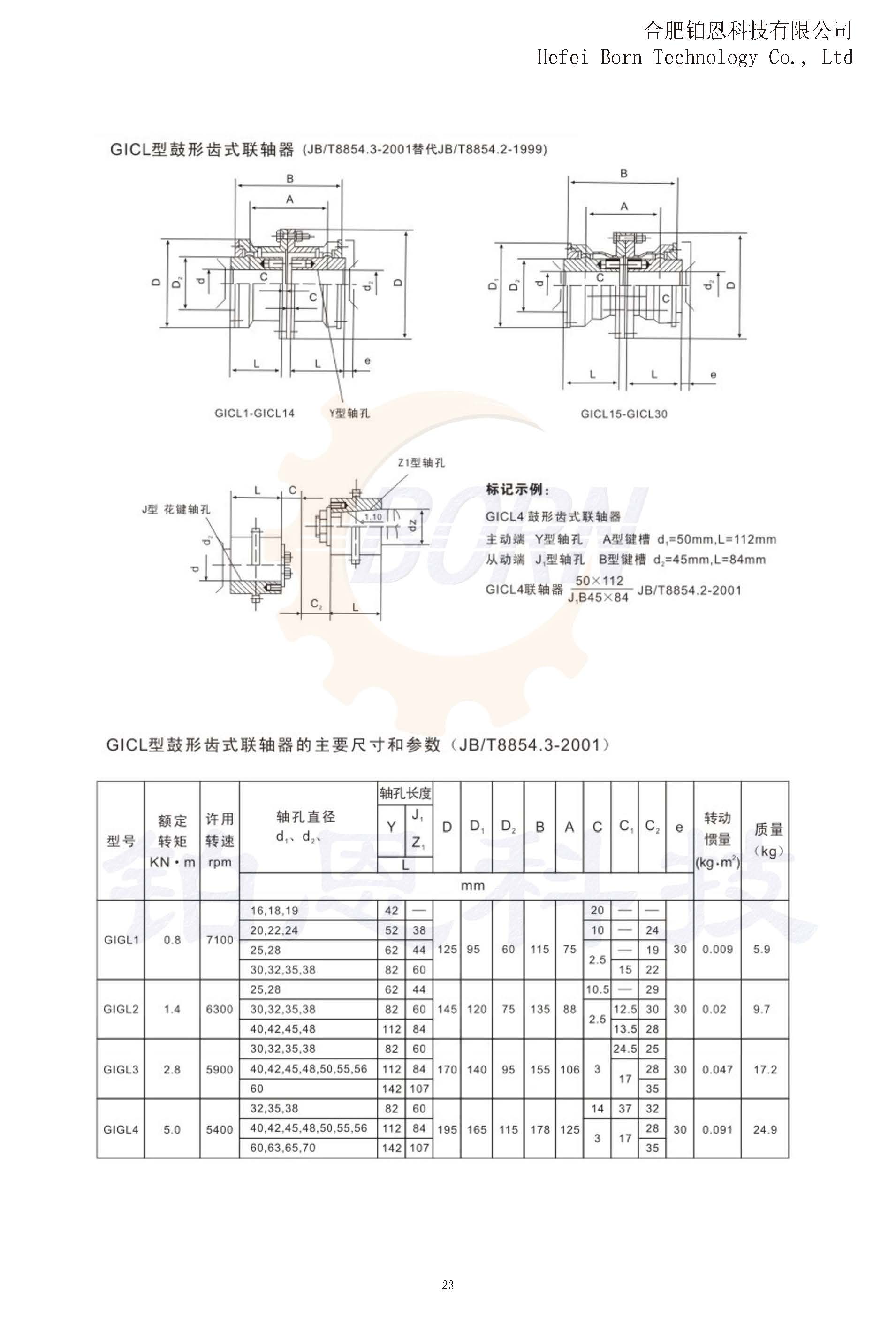
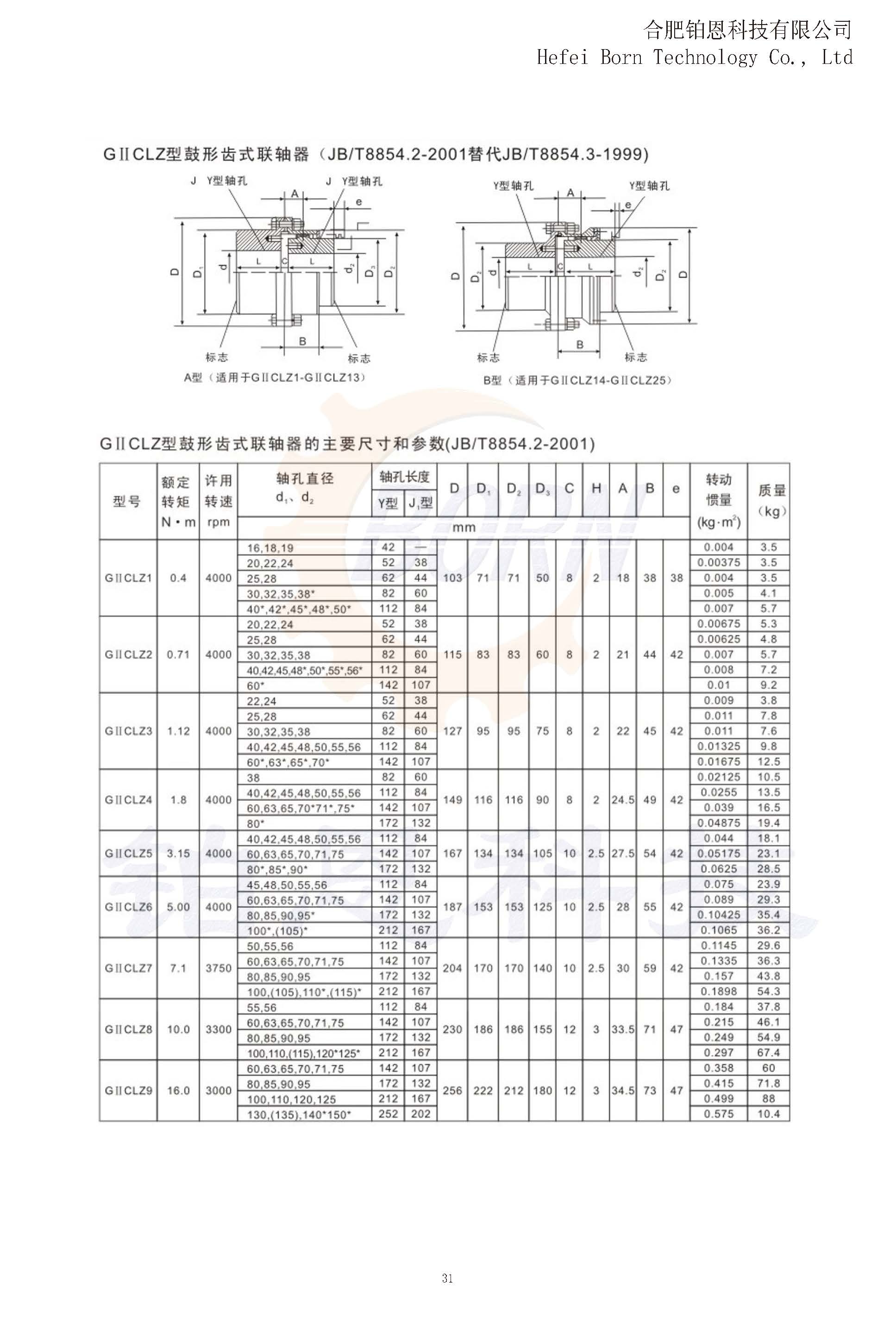
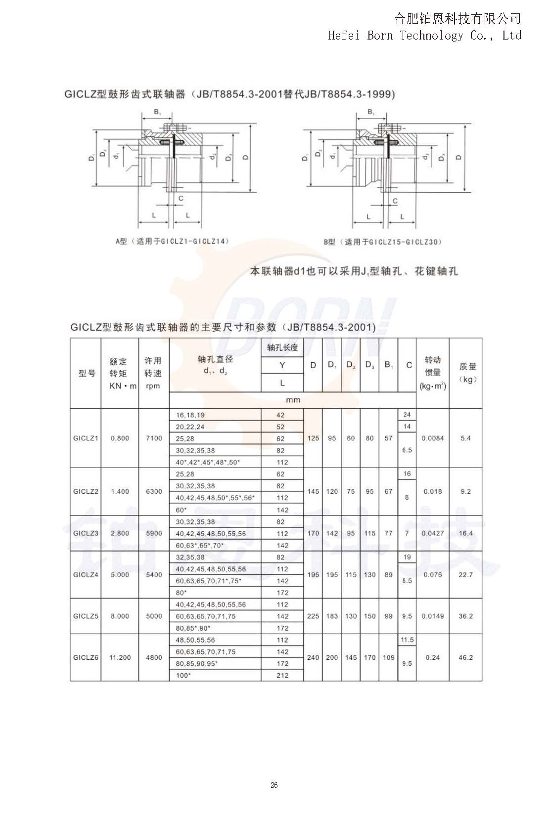
具有“结构简单、采用标准件、工艺性好、制造容易、对安装精度要求不高,具有一定补偿能力、对环境适应性广”等优点。
商品信息
上一个:
滚子链联轴器
下一个:
STB锥套